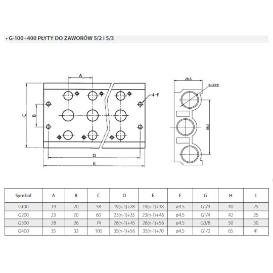
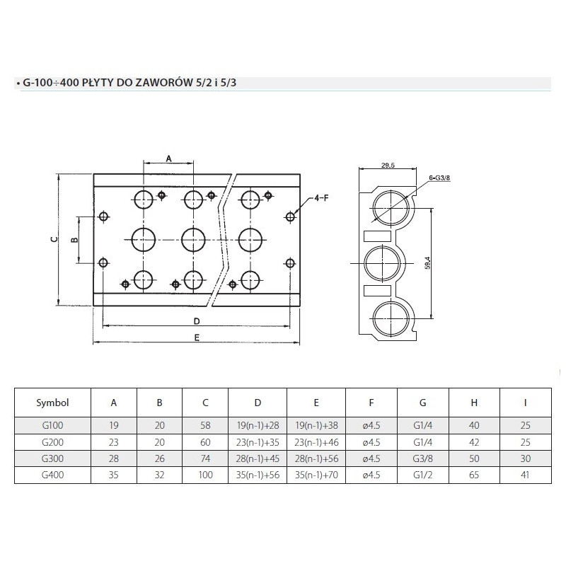
Płyta przyłączeniowa do zaworów 5/2 TEKMA G200-2T 2 zawory
Kod produktu:
G200-2T
96,14 zł
- You reached Maximun quantity
- You reached Minimum quantity


















































